We ship from multiple warehouses throughout the USA
to get you what you need as fast as possible!
Millions of items in stock!
Fast online checkout - No account required
Cart 0
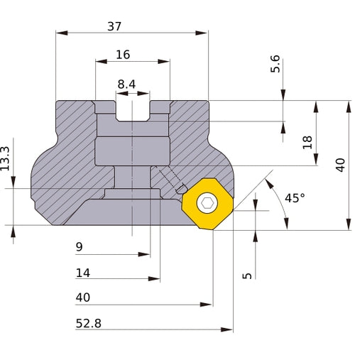
‎WSX445-040A03AR MILL

‎WSX445-040A03AR MILL


Item #: MB03834591
Brand: Mitsubishi Materials USA
Model #: 834591

Product Specifications
Cutting Diameter (DC/DCX) 40 mm
Cutting Direction (HAND) Right Hand
Cutting Diameter (DC) 40 mm
Measurement Type Metric
Cutting Diameter Maximum (DCX) 52.8 mm
Functional Length (LF) 40 mm
Depth of Cut Maximum (APMX) 5 mm
Tool Cutting Edge Angle (KAPR) 45 Degrees
Connection Diameter Machine Side (DCONMS) 16 mm
Series/List # WSX445_MM
$558.93

2% Off All Online Orders
Use Code: 2%OFF

Best Price Guarantee - Email Us A Better Published Price and We'll Beat It