We ship from multiple warehouses throughout the USA
to get you what you need as fast as possible!
Millions of items in stock!
Fast online checkout - No account required
Cart 0
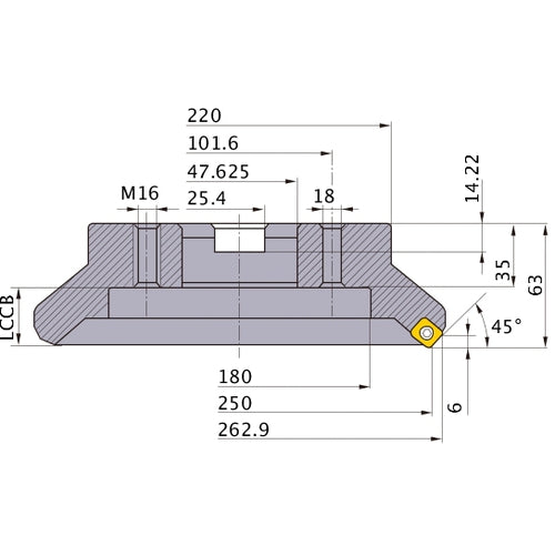
ASX445R25010K MILL

ASX445R25010K MILL


Item #: MB03490417
Brand: Mitsubishi Materials USA
Model #: 490417

Product Specifications
Cutting Diameter (DC/DCX) 250 mm
Cutting Direction (HAND) Right Hand
Cutting Diameter (DC) 250 mm
Measurement Type Metric
Cutting Diameter Maximum (DCX) 262.9 mm
Functional Length (LF) 63 mm
Depth of Cut Maximum (APMX) 6 mm
Tool Cutting Edge Angle (KAPR) 45 Degrees
Connection Diameter Machine Side (DCONMS) 47.625 mm
Series/List # ASX445
$2,057.14

2% Off All Online Orders
Use Code: 2%OFF

Best Price Guarantee - Email Us A Better Published Price and We'll Beat It