We ship from multiple warehouses throughout the USA
to get you what you need as fast as possible!
Millions of items in stock!
Fast online checkout - No account required
Cart 0
ASX445R20012K MILL

ASX445R20012K MILL


Item #: MB03490396
Brand: Mitsubishi Materials USA
Model #: 490396

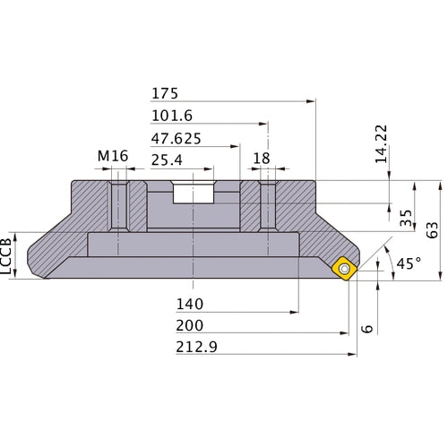
Product Specifications
Cutting Diameter (DC/DCX) 200 mm
Cutting Direction (HAND) Right Hand
Cutting Diameter (DC) 200 mm
Measurement Type Metric
Cutting Diameter Maximum (DCX) 212.9 mm
Functional Length (LF) 63 mm
Depth of Cut Maximum (APMX) 6 mm
Tool Cutting Edge Angle (KAPR) 45 Degrees
Connection Diameter Machine Side (DCONMS) 47.625 mm
Series/List # ASX445
$2,028.95

2% Off All Online Orders
Use Code: 2%OFF

Best Price Guarantee - Email Us A Better Published Price and We'll Beat It