We ship from multiple warehouses throughout the USA
to get you what you need as fast as possible!
Millions of items in stock!
Fast online checkout - No account required
Cart 0
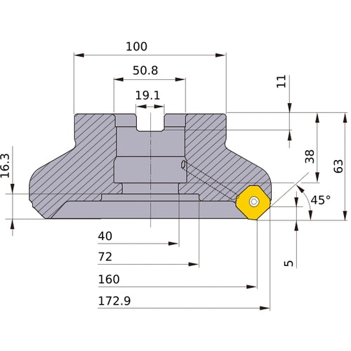
WSX445L16007FA MILL

WSX445L16007FA MILL


Item #: MB0310562352
Brand: Mitsubishi Materials USA
Model #: 10562352

Product Specifications
Cutting Diameter (DC/DCX) 160 mm
Cutting Direction (HAND) Left Hand
Cutting Diameter (DC) 160 mm
Measurement Type Metric
Cutting Diameter Maximum (DCX) 172.9 mm
Functional Length (LF) 63 mm
Depth of Cut Maximum (APMX) 5 mm
Tool Cutting Edge Angle (KAPR) 45 Degrees
Connection Diameter Machine Side (DCONMS) 50.8 mm
Series/List # WSX445
$1,658.75

2% Off All Online Orders
Use Code: 2%OFF

Best Price Guarantee - Email Us A Better Published Price and We'll Beat It