
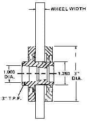
Sopko - 3" Diam Grinding Wheel Adapter - 3/4" Wheel Width, 1-1/4 - 16 Thread Size, Right Handed, 3" Taper per ', 1-1/4" Arbor Hole
Item #: 05923321
Brand: Sopko
Model #: 130-2
Exact Tooling IR#: 04
Product Specifications | |
---|---|
Product Type | Wheel Adapter |
Thread Type | Right-Handed |
Thread Size | 1-1/4-16 |
For Hole Size (Inch) | 1-1/4 |
Taper Per Foot (Inch) | 3 |
Outside Diameter (Inch) | 3 |
Inside Diameter (Inch) | 1-1/4 |
Maximum Wheel Width (Inch) | 3/4 |
Overall Length (Inch) | 1-15/16 |
Size (Inch) | 1-1/4 |
2% Off All Online Orders
Use Code: 2%OFF
Best Price Guarantee - Email Us A Better Published Price and We'll Beat It